Multi-Way Ball Valves 2½”~ 4”
Model:HE-3016F-DN65
Sizes range: 2½”~ 4” (DN65 ~ DN100)
Port availability: Full port
Nominal pressure PN16
Temp. rating: -10°C~180°C
Body material: EN10213 , 1.4408
Trim material: SS ball & stem
End connection: Flange end
Seat material: PTFE
Note: T/L/X Type
ISO5211 Direct mounting pad
Download
Add to inquiry
Port availability: Full port
Nominal pressure PN16
Temp. rating: -10°C~180°C
Body material: EN10213 , 1.4408
Trim material: SS ball & stem
End connection: Flange end
Seat material: PTFE
Note: T/L/X Type
ISO5211 Direct mounting pad
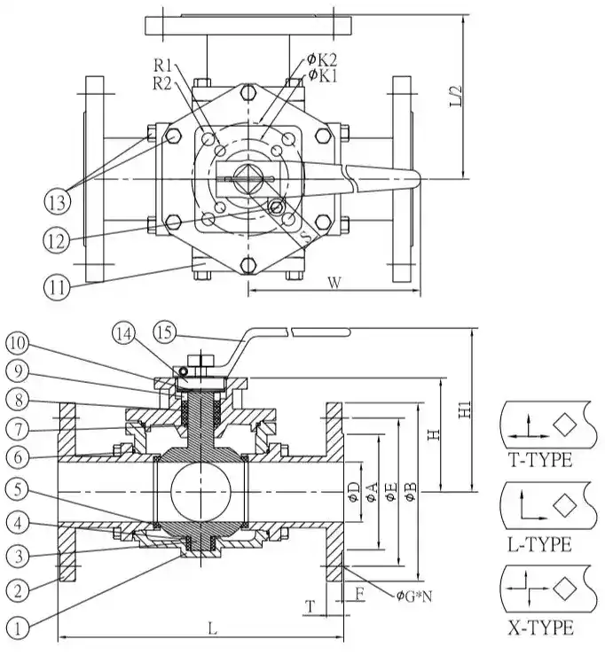
MATERIAL LIST
Taiwan Valves Manufacturer
Stainless steel 3 way valve supplier for multi-way ball valves 2½” to 4”, CF8M body, PTFE seat, full port, flange end, ISO5211 pad.

|
No. |
PART NAME |
MATERIAL |
|
1 |
BODY |
ASTM A351 CF8M |
|
2 |
CAP |
ASTM A351 CF8M |
|
3 |
STEM BALL |
ASTM A351 CF8M/316 |
|
4 |
BUSHING |
PTFE |
|
5 |
BALL SEAT |
PTFE |
|
6 |
BODY SEAL |
PTFE |
|
7 |
O-RING |
VITON |
|
8 |
STEM PACKING |
PTFE |
|
9 |
GLAND RING |
AISI 304 |
|
10 |
BEVEL WASHER |
AISI 304 |
|
11 |
BLANK END |
ASTM A351 CF8M |
|
12 |
STOPPER |
AISI 304 |
|
13 |
BOLT |
AISI 304 |
|
14 |
GLAND |
AISI 304 |
|
15 |
HANDLE |
AISI 304 |
DIMENSIONS (mm)
|
SIZE |
øD |
L |
H |
H1 |
øA |
øB |
øE |
øG |
N |
T |
F |
W |
S |
øK1 |
øK2 |
R1 |
R2 |
|
|
NPS |
DN |
|||||||||||||||||
|
2½〞 |
15 |
62 |
296 |
118 |
200 |
120 |
185 |
145 |
18 |
4 |
18 |
3 |
317 |
22 |
70 |
102 |
4.5 |
5.5 |
|
3〞 |
20 |
76 |
305 |
136 |
218 |
136 |
200 |
160 |
18 |
8 |
20 |
3 |
317 |
22 |
102 |
125 |
5.5 |
6.5 |
|
4〞 |
25 |
95 |
368 |
157 |
238 |
158 |
220 |
180 |
18 |
8 |
20 |
3 |
317 |
22 |
102 |
125 |
5.5 |
6.5 |