Three-Pc Ball Valves 1/4"~ 4"
Model:HE-350SW
Sizes range: 1/4"~ 4" (DN08 ~ DN100)
Port availability: Full port
Nominal pressure PN63
Temp. rating: -10°C~180°C
Body material: EN10213 , 1.4408
Trim material: SS ball & stem
End connection: Threaded end
Anti-static: Anti-static(option)
Seat material: PTFE
Note: Handle locking (option)
Download
Add to inquiry
Port availability: Full port
Nominal pressure PN63
Temp. rating: -10°C~180°C
Body material: EN10213 , 1.4408
Trim material: SS ball & stem
End connection: Threaded end
Anti-static: Anti-static(option)
Seat material: PTFE
Note: Handle locking (option)
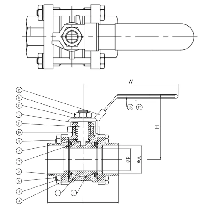
MATERIAL LIST
Taiwan Valves Manufacturer
3 piece stainless ball valve, 1/4" to 4", 1.4408/CF8M body, PTFE seat, full port, threaded end, for industrial applications.

|
No. |
PART NAME |
MATERIAL |
|
1 |
BODY |
1.4408
|
|
2 |
CAP |
1.4408 |
|
3 |
BALL |
A351 CF8M |
|
4 |
WASHER |
1.4301 |
|
5 |
NUT |
1.4301 |
|
6 |
BOLT |
1.4301 |
|
7 |
BALL SEAT |
PTFE |
|
8 |
BODY SEAL |
PTFE |
|
9 |
THRUST WASHER |
PTFE |
|
10 |
STEM PACKING |
PTFE |
|
11 |
STEM |
A276 316 |
|
12 |
GLAND |
1.4301 |
|
13 |
WASHER |
1.4301 |
|
14 |
NUT |
1.4301 |
|
15 |
LOCKING DEVICE(option) |
1.4301 |
|
16 |
HANDLE |
1.4301 |
|
17 |
HANDLE SLEEVE |
PVC |
DIMENSIONS (mm)
|
SIZE |
øA |
øP |
L |
H |
W |
||
|
NPS |
DN |
||||||
|
¼〞 |
8 |
14.2 |
10.6 |
60 |
55 |
97.5 |
|
|
⅜〞 |
10 |
17.5 |
11.8 |
60 |
55 |
97.5 |
|
|
½〞 |
15 |
22 |
16 |
75 |
64 |
125.5 |
|
|
¾〞 |
20 |
27.5 |
20 |
80 |
67 |
125.5 |
|
|
1〞 |
25 |
34.5 |
25 |
90 |
83 |
143.5 |
|
|
1¼〞 |
32 |
43.3 |
32 |
110 |
89 |
143.5 |
|
|
1½〞 |
40 |
49.2 |
38 |
120 |
100 |
203.5 |
|
|
2〞 |
50 |
61.2 |
50 |
140 |
108 |
203.5 |
|
|
2½〞 |
65 |
77 |
65 |
185 |
150 |
251.5 |
|
|
3〞 |
80 |
89.9 |
80 |
205 |
161 |
251.5 |
|
|
4〞 |
100 |
115 |
100 |
240 |
180 |
291.5 |
|