Three-Pc Ball Valves 1/4"~ 4"
Port availability: Full port
Nominal pressure PN63
Temp. rating: -10°C~180°C
Body material: EN10213 , 1.4408
Trim material: SS ball & stem
End connection: Threaded end
Seat material: PTFE
Anti-static Anti-static(option)
Note: Handle locking(option)
ISO5211 Direct mounting pad
Taiwan Valves Manufacturer
3 PCS ball valves, 1/4" to 4", stainless steel body, PTFE seat, full port, threaded end, ISO5211 direct mounting pad.
|
No. |
PART NAME |
MATERIAL |
|
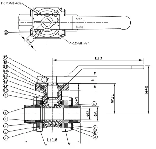
1 |
BODY |
1.4408 |
|
2 |
CAP |
1.4408 |
|
3 |
BALL |
A351 CF8M |
|
4 |
WASHER |
SS304 |
|
5 |
NUT |
SS304 |
|
6 |
BOLT |
SS304 |
|
7 |
BALL SEAT |
PTFE |
|
8 |
BODY SEAL |
PTFE |
|
9 |
THRUST WASHER |
PTFE |
|
10 |
STEM |
A276 316 |
|
11 |
O-RING |
VITON |
|
12 |
STEM PACKING |
PTFE |
|
13 |
GLAND RING |
SS304 |
|
14 |
BEVEL WASHER |
SUS301 |
|
15 |
GLAND NUT |
SS304 |
|
16 |
SPACER RING |
PTFE |
|
17 |
HANDLE |
SS304 |
|
18 |
STOPPER |
SS304 |
|
19 |
ANTI-STATIC DEVICE |
SS316 |
|
SIZE |
øD |
L |
W |
E |
H |
X |
口N |
h |
ød1 |
ød2 |
ød3 |
ød4 |
ISO 5211 |
|
|
NPS |
DN |
|||||||||||||
|
¼〞 |
8 |
10.5 |
65 |
41 |
124 |
64 |
9 |
9 |
9 |
36 |
6 |
42 |
6 |
F03.F04 |
|
⅜〞 |
10 |
11.8 |
65 |
41 |
124 |
64 |
9 |
9 |
9 |
36 |
6 |
42 |
6 |
F03.F04 |
|
½〞 |
15 |
16 |
75 |
41 |
124 |
64 |
9 |
9 |
9 |
36 |
6 |
42 |
6 |
F03.F04 |
|
¾〞 |
20 |
20 |
80 |
44 |
124 |
69 |
9 |
9 |
9 |
36 |
6 |
42 |
6 |
F03.F04 |
|
1〞 |
25 |
25 |
90 |
53 |
187 |
91 |
10 |
11 |
12 |
42 |
6 |
50 |
7 |
F04.F05 |
|
1¼〞 |
32 |
32 |
110 |
58 |
187 |
97 |
10 |
11 |
12 |
42 |
6 |
50 |
7 |
F04.F05 |
|
1½〞 |
40 |
40 |
120 |
69 |
222 |
107 |
13 |
14 |
15.5 |
50 |
7 |
70 |
9 |
F05.F07 |
|
2〞 |
50 |
50 |
140 |
77 |
222 |
116.5 |
13 |
14 |
15.5 |
50 |
7 |
70 |
9 |
F05.F07 |
|
2½〞 |
65 |
65 |
185 |
98 |
302 |
154.5 |
13 |
17 |
18.5 |
70 |
9 |
102 |
11 |
F07.F10 |
|
3〞 |
80 |
80 |
205 |
110 |
302 |
166.5 |
13 |
17 |
18.5 |
70 |
9 |
102 |
11 |
F07.710 |
|
4〞 |
100 |
100 |
240 |
137 |
305 |
219.5 |
15 |
22 |
24 |
|
|
102 |
11 |
F10 |
