Two-Pc Ball Valves 1/4"~ 2"
Model:HE-201
Sizes range: 1/4"~ 2" (DN08 ~ DN50)
Port availability: Full port
Nominal pressure PN63
Temp. rating: -10°C~180°C
Body material: EN10213 , 1.4408
Trim material: SS ball & stem
End connection: Threaded end
Seat material: PTFE
Note: Handle locking (option)
Download
Add to inquiry
Port availability: Full port
Nominal pressure PN63
Temp. rating: -10°C~180°C
Body material: EN10213 , 1.4408
Trim material: SS ball & stem
End connection: Threaded end
Seat material: PTFE
Note: Handle locking (option)
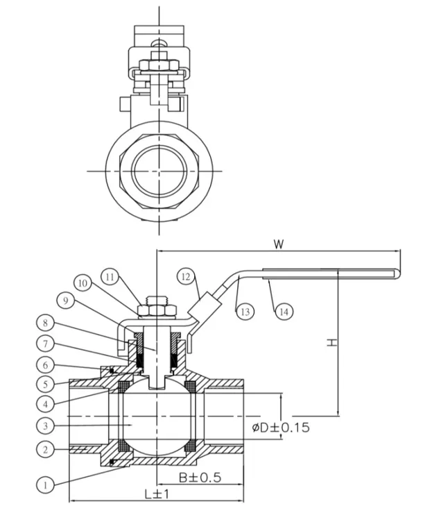
MATERIAL LIST
Taiwan Valves Manufacturer
Custom ball valve options available. Two piece ball valves 1/4" to 2", stainless steel body, PTFE seat, full port, threaded end.

|
No. |
PART NAME |
MATERIAL |
|
1 |
BODY |
1.4408 |
|
2 |
CAP |
1.4408 |
|
3 |
BALL |
1.4408 |
|
4 |
BALL SEAT |
PTFE |
|
5 |
THRUST WASHER |
PTFE |
|
6 |
BODY SEAL |
PTFE |
|
7 |
STEM PACKING |
PTFE |
|
8 |
STEM |
1.4401 |
|
9 |
GLAND |
1.4301 |
|
10 |
WASHER |
1.4301 |
|
11 |
NUT |
1.4301 |
|
12 |
LOCKING DEVICE(option) |
1.4301 |
|
13 |
HANDLE |
1.4301 |
|
14 |
HANDLE SLEEVE |
PVC |
DIMENSIONS (mm)
|
SIZE |
øD |
B |
L |
H |
W |
|
|
NPS |
DN |
|||||
|
¼〞 |
8 |
11.5 |
27.2 |
54.8 |
54 |
98 |
|
⅜〞 |
10 |
12.7 |
26.3 |
53.6 |
55.2 |
98 |
|
½〞 |
15 |
16 |
33.6 |
68.2 |
61.5 |
128 |
|
¾〞 |
20 |
20 |
38.1 |
76 |
66 |
128 |
|
1〞 |
25 |
25 |
44 |
88.5 |
79 |
145 |
|
1¼〞 |
32 |
32 |
49.4 |
99.9 |
85.2 |
145 |
|
1½〞 |
40 |
38 |
60.4 |
120.6 |
100 |
208 |
|
2〞 |
50 |
50.8 |
66.9 |
133.6 |
108.5 |
208 |